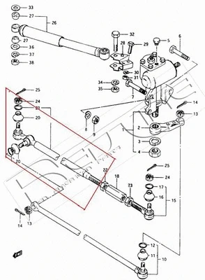
Centre Rod Assembly (40SZ005)

Article number: 40SZ005
RED-LINE
star star star star star
0 reviews
Centre Rod Assembly
Centre Rod Assembly
Centre Rod Assembly
Centre Rod Assembly
Centre Rod Assembly
Centre Rod Assembly
Description
  • Fitting Position:

    Front Axle Right

  • Rod/Strut:

    Push Rod

  • paired article number:

    40SS031

Out of stock

Price per item

price incl. 20% VAT, free delivery

Analogs parts

Product
Name
Availability
Price
Tie Rod End (185764)
FEBI BILSTEIN
Article number: 185764
In stock
£ 102.53
Angled Ball Joint, steering drag link (S410I38)
Out of stock
£ 0
Tie Rod (605-16031K)
IAP QUALITY PARTS
Article number: 605-16031K
Out of stock
£ 0
Tie Rod End (ADBP870093)
BLUE PRINT
Article number: ADBP870093
Out of stock
£ 0
SUZUKI
  • SAMURAI Closed Off-Road Vehicle (SJ_)
    • SUZUKI SAMURAI вездеход закрытый (SJ_) 1.9 D Привод на все колеса, Closed Off-Road Vehicle, NF8Q, Diesel, 1870 cc, 47/64 Hp
    • SUZUKI SAMURAI вездеход закрытый (SJ_) 1.0 Привод на все колеса (SJ 410), Closed Off-Road Vehicle, F10A, Petrol, 970 cc, 33/45 Hp
    • SUZUKI SAMURAI вездеход закрытый (SJ_) 1.3 Привод на все колеса (SJ 413), Closed Off-Road Vehicle, G13BA, Petrol, 1298 cc, 51/70 Hp
  • SJ413 (OS)
    • SUZUKI SJ413 (OS) 1.3 (SJ 413), Closed Off-Road Vehicle, G13A, Petrol, 1324 cc, 44/60 Hp
Car Name
OE number
SUZUKI
00000A00126
SUZUKI
4887070A61
SUZUKI
4887070A61000
SUZUKI
4887084C50
SUZUKI
4887084C50000
SUZUKI
48870A80060

Reviews

Leave feedback