Belt Pulley, alternator (AP1008S)

Article number: AP1008S
AS-PL
star star star star star
0 reviews
Belt Pulley, alternator
Belt Pulley, alternator
Belt Pulley, alternator
Belt Pulley, alternator
Belt Pulley, alternator
Belt Pulley, alternator
Belt Pulley, alternator
Belt Pulley, alternator
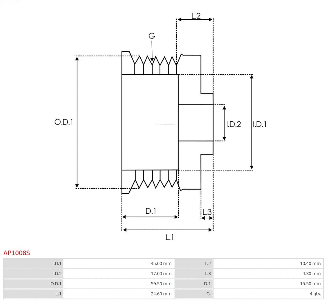
Description
  • Number of grooves:

    4

  • Outer Diameter [mm]:

    82,00

  • Inner Diameter 2 [mm]:

    44,00

  • Outer Diameter [mm]:

    55,30

  • Length 1 [mm]:

    45,60

  • Outer Diameter 2 [mm]:

    66,10

  • Length 3 [mm]:

    24,40

  • Length 3 [mm]:

    23,50

Out of stock

Price per item

price incl. 20% VAT, free delivery

Analogs parts

Product
Name
Availability
Price
Alternator (A1014)
AS-PL
Article number: A1014
In stock
£ 241.55
Car Name
OE number

Reviews

Leave feedback